材料の複合化や合金化による機能向上を目指し,溶融凝固や拡散・相変態で生まれるミクロ組織と特性との関係を研究しています.



レーザなどによって一部を加熱すると,異種材を接合したり表面を改質することができます.その部分のミクロな構造と特性との関係を明らかにしようと日夜取り組んでいます.ミクロ構造とは多様な原子が配列した結晶が集まったグループ(相)の組合せを指し,ミクロ組織とも言います.ミクロ組織は熱や加工のエネルギーを受けて生き物のように変化します.これをうまく制御すれば,機械材料は優れた力学特性や電磁気特性を持つようになるのです.

簡単に言うと,熱を多く投入するほど原子が良く拡散して均一な相を形成し,これに大きな加工を加えるほどミクロ組織は微細になります.従来はこのようにして優れた強度を持つ合金材料や機械部品を製造していました.しかし近年の環境問題に対応して,特に自動車分野では部品が小型・集積化され,その生産技術にも多くの革新が起こっています.加熱するのも,短時間で必要な部分だけに(局所加熱),大きな設備を使わずに,そして汎用材料をベースに「適材適所」で改質する,あるいは高機能材を付加・接合していく.

いかに省エネルギーで意図したミクロ組織に変化させるか
将来のモノづくりを目指した材料研究を志する学生を待っています

田中研究室 現在の卒研生 集合!

最近のニュース


最近の研究の様子

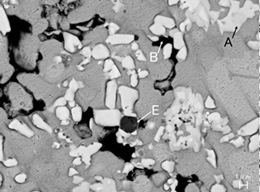
電解腐食で見えた!マルテンサイトと炭化物

電解腐食・電解抽出という鉄鋼材料中のごく微細な構造をレリーフ状に浮き出させて観察する手法に取り組んでいます.良く表面研磨した試料に特殊な溶液中で定電流を流すと,鉄の素地が少しずつ溶けだし,埋まっていた異質な相が写真のように粒子と素地の位置関係が鮮明に観察できるようになります.
この手法は古くから鉄鋼材料の析出物や介在物を抽出するのに用いられてきました.4年生のひとりはアドバイスを受けながら電解条件を最適化し,10nmにも満たないナノ炭化物がマルテンサイトブロックに沿って析出する様子をとらえました.
   ...研究テーマのページはこちら

粉末の溶融現象~溶融造形の表面科学~

ピカピカと光る銅(Cu)の粉末.これは金属積層造形用の球状Cu粉末で,金属3Dプリンタによって複雑な形状を造形できます.粉末は加熱されるとまず表面がうっすらと溶融し,となりの粉末と結合して液滴になります.その小さな金属液滴が集まって溶融池を形成し,移動しながら凝固していくんですが,ここで空洞ができると欠陥になります.
4年生二人はこのようなCu粉末の溶融挙動を研究しており,興味深い結果が出つつあります.
   ...使用している装置はこちらを参照して下さい.

レーザ加熱装置のビーム調整~ねらった温度になるように!

2021年度に導入されたレーザ加工装置ですが,金属溶融を研究対象とするからには正確に所定の温度に加熱してやらねばなりません.測温は放射温度計で行いますが,レーザ加熱の要はビームの形状と出力・時間の制御にあります.これも4年生ががんばって,ビームのフォーカス範囲と加熱範囲の変化を調べています.

レーザ肉盛りに挑戦!

(工事中)銅粉末と酸化物との混合物をレーザで溶融させると面白いことが起こります.

2024年度のニュース


2024年度修了生より ~研究を振り返って・私の近況~

辻 篤志
修士論文:
電磁気材料の複合化加工における凝固組織と電気特性の関係

私の近況
4月から入社し,5月末まで研修です.最初は講和と座学で少し退屈な日々でした. ただ1週間で知多,星崎,研究所,滝春,築地,中津川,渋川(群馬)を工場見学したためなかなかハードな日々でもありました.その後座学を挟んだのち文理合同現場実習で渋川工場に伺い現場見学し,現場スタッフの環境や肉声から配属されてからの現場とのかかわり方を学んできました.GWは有休消化もかねて11連休をいただきまして後輩たちと飲みに行ったり研究室にも顔を出したりと満喫していました.GW後は配属先が決まる研究発表がありまして,「複合抵抗材のレーザ造形と電気抵抗」のテーマで発表いたしました.残りの研修では会社の歴史,成り立ちなどをグループで調査していきます.
研究を振り返って
学部4年から約3年間研究を続けさせていただいた中で,CuやCu合金,そしてケイ素鉄など様々な材料に触れることができました.また三菱電機や日本電子など様々な企業に伺うことができたのは教授の多大なるご助力があったからだと思っておりとても感謝しております.
さて研究ではレーザに対して難加工材であるCu系の研究ということで,なかなかうまくいかない,ほんとにこれでいいの?というような不安は常に持っていました.しかし,最新鋭のレーザ金属3Dプリンタなどを用いて研究できたことは非常に良い経験だったと思います.一方で研究を通じて外部企業の様々な方々と交流できたこと,後輩指導および研究室の改善は人前でのふるまい方や就職活動でも力になりました.特に後輩指導ではただ指示するだけではなく,目的と方法をしっかり伝えることの大切さを学べました.ただ後輩たちの仕事を自分だけで進めてしまうことが多く,研究という面ではあまり育成できていなかったと思います.また研究室での日々は非常に楽しく,後輩たちといるときに常に笑っていられたのはいい思い出ですし,卒業後も遊びに行く仲間となっています.まとめとして,研究を振り返りますと学部生では味わえない非常に濃密で有意義な時間を過ごせたと思います.

2024年度は過去最多の12名の学生が旅立ちました!

今年は9名の4年生,3名の院生が無事,3/21に学位授与式を終えました.
いつもながら揃いが良くなく3人ほど写ってないですが,とにかくおめでとう!
今回の卒論と修論の査読・指導はなかなかなボリュームでした.週末は近所の図書館自習室に通い,ずっと赤ペンを持っていた気がします.来年はさらに多く14名になる予定...


2023年度のニュース


実験室が広く,新しく,機能的になりました!

これまで3つの小部屋に分かれていた実験室が,大きな実験室に集約されました.移転にあたっては各装置の結線を外し,主要部分をクッション材でつつみ,再び結線と配管に悩むという皆さんの苦闘を経て,無事すべての機器が再稼働しました.D棟1階の奥ですが,西側窓に面して明るいです.徳納先生の実験室にあった装置の一部もやってきました.そのため,他の研究室の学生も頻繁に出入りし,楽しくかつ他の人がどんな実験をしているかなど交流しやすい開放的な実験室になりました.


2022年度までのニュース

研究室のアクティビティ

研究の計画から実験・討議・まとめまで

銅粉末の溶融・液滴化に対する表面酸化の影響****
   ...研究テーマのページはこちら

中間・卒研発表会から卒論提出,進学後は...

9月に行われる中間発表会は,卒研生が初めて教員の前で発表する機会です.ここではまだ研究データが出ていなくても,研究の背景やねらい,今後の研究計画について説明します.何のためにこの研究をやっているのか,どんな結果にたどり着きたいのか,どんなアプローチをとるのか,新しさはどこか...などが問われる緊張感のある場です.
一方,大学院生は学会に学生会員として所属し,講演大会で口頭発表やポスタセッションをしなくてはなりません.既存の研究を理解するため,写真のような論文勉強会も行っています.
   ...最近のニュースはこちら

実験装置の整備・試料準備,そしてスイッチオン!

銅(Cu)やアルミニウム(Al)は電気を良く伝え,リチウムイオン二次電池の構部部材として欠かせない材料です.でもAlはとても活性な金属で接合が難しい.接合状態が良くないと電気抵抗が増加し,発熱などの損失になります.接合部の複雑なミクロ組織中を流れる電気が見えれば... ↓すごい装置があります!
(顕微鏡サーモビュアで見た通電中の接合試料のミクロな温度分布)
   ...実験装置のページはこちら

学外で共同研究実験,学会発表・たまには懇親会...)

2023年度の担当授業は,前期に3年生向けの「機械英語A」,後期に2年生向けの「機械設計製図2」です.ここではCADソフトを利用して,部品の3Dモデルから製作図の作成し,さらに部品どうしが干渉せずに機械が正しく動くように,コンピュータ上でアセンブリ(組立て)を行います.
   ...その他の教育活動はこちら